.jpg)
COMPONENTELE PRINCIPALE ALE
TRADUCTOARELOR
2.1. Elementele sensibile ale traductoarelor (ES)
Elementele sensibile (ES) constituie partea cea mai diversificată a traductoarelor. Acestea permit detectarea mărimii de măsurat din întreg ansamblul de mărimi care acţionează în mediul înconjurător rejectând sau reducând la un minim acceptabil influenţa celorlalte.
Dat fiind numărul şi marea varietate a mărimilor care intervin în procesele automatizate şi care trebuie măsurate cu ajutorul traductoarelor, rezultă implicit necesitatea unei multitudini de tipuri de elemente sensibile (ES), corespunzător acestor aplicaţii.
Elementele sensibile se pot clasifica :
a) după principiul de conversie a mărimii fizice aplicate la intrare:
- elementele sensibile (ES) parametrice;
- elementele sensibile (ES) generatoare.
Principiul conversiei este important pentru studiul general al traductoarelor şi evidenţierea fenomenelor fizice care stau la baza funcţionării acestora (modul de conversie al mărimii de măsurat într-un anumit tip de mărime electrică).
b) după natura mărimii fizice de măsurat:
- elemente sensibile (ES) pentru: deplasare, viteză, forţă, debit, radiaţie etc.
2.1.1 Elemente sensibile de tip parametric
Elementele sensibile (ES) parametrice (sau modulatoare) se utilizează atunci când mărimea de măsurat este pasivă, adică nu are asociată o putere suficientă, sau fenomenul fizic pe care se bazează conversia nu permite obţinerea directă a unui semnal electric. Se numesc elemente sensibile parametrice deoarece mărimea de intrare (neelectrică) determină variaţia proprietăţilor de material care sunt de natura unui parametru electric de circuit (rezistenţa electrică, inductivitate, capacitate sau combinaţii ale acestora).
Pentru a pune în evidenţă aceste variaţii este nevoie de o sursă de energie auxiliară care generează tensiune sau curent constant, a cărei valoare este modulată de variaţia parametrului respectiv, obţinându-se astfel un semnal electric ale cărei variaţii reproduc pe cele ale mărimii de măsurat.
Mărimile fizice de natură neelectrică din cele mai diverse domenii (mecanică, chimie, termotehnică, radiaţii) pot fi convertite în mărimi de natură electrică datorată legilor fizice care exprimă dependenţa parametrilor (R, L, C) menţionaţi la anumite materiale (conductoare, semiconductoare sau dielectrice) în raport cu aceste mărimi.
· Relaţii fundamentale care stau la baza funcţionării elementelor sensibile parametrice sunt:
a) Rezistenţa electrică a unui conductor omogen:
unde l – lungimea conductorului;
S – secţiunea conductorului;
r – rezistivitatea materialului.
b) Inductivitatea proprie a unui bobine (considerând circuitul magnetic liniar):
unde N – numărul de spire al bobinei;
lk – lungimea circuitului magnetic (k);
mk şi sk – permeabilitatea magnetică şi secţiunea mediilor ce formează circuitul magnetic al bobinei.
c) Capacitatea unui condensator plan cu armături paralele:
unde e - permitivitatea mediului;
S – suprafaţa activă comună a armăturilor;
d – distanţa între armături.
Pentru fiecare din cele trei elemente sensibile parametrice (R, L, C) se vor prezenta tabelar atât fenomenele fizice pe care se bazează conversia măsurandului, cât şi aplicaţiile recomandate.
1. Elemente sensibile (ES) rezistive (R)
Tabel 2.1.a
| Fenomenul fizic pe care se bazează conversia | Aplicaţii (mărimi măsurate) |
| - variaţia lungimii conductorului (sau a numărului de spire în cazul rezistorului bobinat) | - deplasări liniare şi unghiulare; - grosime; - nivel. |
| - variaţia rezistivităţii (r) cu tempera-tura (termorezistenţa , termistorul) | - temperatură; - umiditate; - concentraţie de gaze; - viteză gaze (debit); - vacuum. |
| - variaţia lui r sub influenţa câmpului magnetic (efect Gauss) | - câmpul magnetic; - inducţie. |
| - variaţia lui r sub acţiunea radiaţiilor (fotorezistenţe , fotoelemente) | - intensitate luminoasă; - flux luminos; - deplasări (prin modulaţia fluxului de radiaţii). |
| - variaţia lui r, l, S prin intermediul unui element elastic deformabil (tensorezistenţe, piezorezistenţe). | - forţă; - presiune. |
2) Elemente sensibile inductive (L)
Tabel 2.1.b
| Fenomenul fizic | Aplicaţii (mărimi măsurate) |
| - variaţia l, m, S pentru porţiuni de circuit magnetic prin plasarea unor armături feromagnetice (întrefier variabil, miez mobil). | - deplasări liniare; - dimensiuni piese; - grosime; - nivel. |
| - variaţia l, m, S prin asociere cu elemente elastice, amortizoare, mase. | - acceleraţie; - viteză; - vibraţii. |
| - variaţia lui m prin magnetostricţiune | - forţă; - presiune. |
3) Elemente sensibile capacitive (C)
Tabel 2.1.c
| Fenomenul fizic | Aplicaţii (mărimi măsurate) |
| - variaţia d sau S prin deplasare | - deplasări liniare sau unghiulare; - presiune. |
| - idem asociind cu un element elastic | - altitudine. |
| - variaţia permitivităţii e dielectricului | - nivel; - grosime; - umiditate (solide). |
Elementele sensibile (ES) parametrice sunt foarte răspândite datorită faptului că pot fi utilizate pentru conversia unei game foarte largi de mărimi cu domenii de variaţie diferită.
2.1.2 Elemente sensibile de tip generator
Elementele sensibile de tip generator (sau energetice) sunt utilizate în cazul mărimilor active, adică a acelor mărimi care asociază o putere ce poate fi utilizată pentru conversie fără a afecta valoarea mărimii măsurate. Aceste elementele sensibile (ES) furnizează la ieşire un curent, o tensiune sau o sarcină electrică având variaţii dependente de intrare (x).
Pentru a influenţa cât mai puţin mărimea de măsurat, puterea luată de la aceasta trebuie să fie cât mai mică. În practică se utilizează surse auxiliare de energie pentru asigurarea unor performanţe ridicate şi pentru a permite a bună adaptare de impedanţă cu circuitele receptoare din SRA.
În tabelul T 2.2 sunt date principalele tipuri de elemente sensibile – generatoare, fenomenele fizice pe care se bazează conversia şi aplicaţiile posibile.
Elementele sensibile (ES) de tip generator prezintă avantajul unei cuplări mai uşoare cu adaptorul, cât şi structuri mai simple ale adaptorului, întrucât nu mai necesită conversia unui parametru de circuit (R, L, C) într-un curent sau tensiune – este vorba de elemente sensibile electromagnetice.
Elementele sensibile electrochimice şi piezoelectrice (şi chiar fotoelectrice) impun cerinţe speciale, deoarece ele sunt considerate generatoare de tensiuni electromotoare cu impedanţă internă foarte mare, ceea ce atrage după sine condiţii severe pentru impedanţa etajului de intrare în adaptor cât şi modul de realizare a conexiunilor electrice (rezistenţa de izolaţie foarte bună, ecranare etc.).
Tabel 2.2
| Tipul elementului sensibil | Fenomenul fizic ce stă la baza conversiei | Aplicaţii (mărimi măsurate) |
| a) Electromagnetic (de inducţie) | - generarea prin inducţie a tensiunii electromotoare sub acţiunea mărimii de măsurat. | - viteza de rotaţie (tahogenerator); - debite de fluide; - vibraţii. |
| b) Termoelectric | - generarea tensiunii termoelec-tromotoare prin efect termo-electric (Seebek) de contact între două metale diferite. | - temperatură |
| c) Piezoelectric | - polarizarea electrică a unui cristal sub acţiunea unei forţe sau presiuni. | - forţe (dinamice); - presiuni (dinamice). |
| d) Magnetostrictiv | - generarea tensiunii electromotoare prin variaţia inducţiei remanente sub acţiunea unei forţe asupra materialelor magnetice. | - forţe (dinamice); - presiuni (dinamice). |
| e) Electrochimic | - generarea tensiunii electromotoare între doi electrozi aflaţi la o distanţă , în soluţii cu concentraţii de ioni diferite. | - concentraţia ionilor de hidrogen (pH). |
| f)Fotoelectric (fotovoltaic) | - generarea unui curent electric pe baza fenomenului fotoelec-tric extern sub acţiunea unei radiaţii luminoase. | - deplasări liniare şi unghiulare; - dimensiuni piese; - viteză de rotaţie. |
Observaţie:
Pentru proiectant şi constructor este utilă clasificarea după principiul de funcţionare, dar pentru utilizator este mai convenabilă clasificarea elementelor sensibile după mărimile fizice pe care ES le poate detecta.
În tabelul 2.3. este prezentată o succintă clasificare a ES după mărimile fizice detectate.
2.2 Clasificarea elementelor sensibile după mărimile
detectate
Tabel 2.3
| Mărimi fizice de bază | Mărimi fizice derivate | Elemente sensibile, tipice |
| DEPLASARE | - deplasare liniară; - deplasare unghiulară; - lungime (lăţime); - grosime; - strat de acoperire; - nivel; - deformaţie (indirect presiune, forţă, cuplu) - altitudine | - rezistive; - inductive; - fotoelectrice; - electrodinamice (selsine, inductosine). |
| VITEZĂ | - liniară; - unghiulară; - debit. | - electrodinamice (tahogenerator); - fotoelectrice; - termorezistive. |
| FORŢĂ | - efort unitar; - greutate; - acceleraţie; - cuplu, - viscozitate; - vacuum - presiune (relativă; absolută) | - rezistive; - inductive; - capacitive; - piezorezistive; - piezoelectrice; - magnetostrictive.
|
| TEMPERATURĂ | - temperatură la suprafaţă (solide, fluide); - căldură- flux, energie; - conductibilitate termică. | - termorezistenţe; - termistoare; - termocupluri; - complexe (dilatare + deplasare) |
| MASĂ | - debit de masă; - densitate. | - Idem ca la forţă |
| CONCENTRAŢIE | - componente în amestecuri de gaze; - ioni de hidrogen în soluţii; - umiditate. | - termorezistive; - electrochimice; - conductometrice. |
| RADIAŢIE | - luminoasă; - termică; - nucleară. | - fotoelectric; - detectoare în infraroşu; - elemente sensibile bazate pe ionizare. |
Observaţii:
1) - Acelaşi tip de element sensibil poate fi utilizat pentru detectarea unor mărimi fizice foarte diferite. Explicaţia constă în aceea că urmărindu-se conversia într-o mărime electrică, este firesc ca elementele sensibile pasive să fie tot de tipul R, L, C, iar cele generatoare să furnizeze o tensiune, un curent sau o sarcină electrică. Al doilea argument constă în faptul că variaţiile parametrilor R, L, C sau tensiunile şi curenţii generaţi depind, la rândul lor, de o multitudine de factori care, în cadrul unor fenomene fizice convenabil explorate (uneori cu elemente de cuplare adecvate) pot fi influenţate de diverse mărimi.
2) - Pentru aceeaşi mărime fizică convertită pot fi utilizate mai multe tipuri de elemente sensibile. Alegerea celor mai potrivite elemente sensibile de face în funcţie de:
- gama de variaţie a mărimii măsurate;
- posibilitatea de cuplare la proces;
- factorii de mediu;
- performanţele impuse;
- factorii economici.
2.3 ADAPTOARE (AD)
Rolul adaptorului este acela de a converti semnalul generat de elementul sensibil într-un semnal electric de ieşire (Y) de regulă unificat. Semnalele de ieşire fiind unificate, rezultă că etajele de ieşire ale adaptoarelor sunt similare pentru acelaşi tip de semnal unificat. Diferenţieri constructive apar pe partea de intrare în traductoare, care recepţionează mărimile diversificate (ca natură fizică şi domeniu de variaţie) furnizate de elementele sensibile.
2.3.1 Adaptoare pentru elemente sensibil de tip parametric
Ţinând seama că adaptoarele de acest tip transformă variaţiile parametrilor R, L, C în tensiune sau curent electric, rezultă că etajele de intrare în aceste adaptoare utilizează punţi de curent continuu sau alternativ, funcţionând în regim dezechilibrat. La ieşirea punţilor de măsurare se obţine un semnal de dezechilibru care este amplificat şi convertit (de etajul final al adaptorului) în semnal unificat. Pentru a elimina influenţa perturbaţiilor se utilizează (de regulă) o buclă de reacţie negativă astfel încât aceasta să includă cât mai multe din blocurile componente ale adaptorului.
Dacă schema de măsurare sau elementul sensibil prezintă neliniarităţi importante se prevăd în schema adaptorului blocuri de liniarizare (sub forma unor generatoare de funcţii) plasate fie pe calea directă, fie pe calea de reacţie a adaptorului.
Structura unui adaptor pentru un element sensibil rezistiv este prezentată în figura 2.1:
Fig.2.1
SM – schemă de măsurare tip punte Wheatstone în curent continuu (regim dezechilibat);
BC – bloc de comparaţie care calculează diferenţa între DU = Ud – Ur ;
A – amplificator de tensiune continuă;
CTC – convertor tensiune – curent care asigură semnalul unificat de curent la ieşire (IC= [2…10] mA sau [4…20] mA;
BR – bloc de reacţie negativă care furnizează tensiunea Ur, proporţională cu semnalul unificat Ic. În unele cazuri blocului de reacţie i se ataşează şi un circuit de liniarizare (BRL);
BL – bloc de liniarizare introdus atunci când este necesar să se compenseze neliniarităţile generate de elementul sensibil sau puntea de măsurare.
În afara elementelor din schema bloc se prevăd şi surse de alimentare necesare circuitelor utilizate. Alimentarea punţii Wheatstone necesită o tensiune U0 foarte bine stabilizată, deoarece tensiunea de dezechilibru Ud este influenţată de variaţia lui U0.
- A – poate fi de tipul cuplare directă sau cu modulare-demodulare, în funcţie de valoarea tensiunii Ud , de condiţiile de adaptare a impedanţelor şi de necesitatea separării galvanice.
- CTC – este realizat cu tranzistoare de putere (medie) deoarece amplificatoarele integrate nu pot asigura la ieşire puterea necesară. (ex. 20mA pe 600Ω). Conexiunile de tip Darlington sunt frecvent utilizate.
- BR – este realizat (de cele mai multe ori) dintr-un divizor rezistiv de tensiune sau de curent;
- BL – realizat cu diode Zener, tranzistoare etc. care introduc în mod intenţionat neliniarităţi de sens opus celor furnizate de elementele sensibile sau de schemele de măsurare.
Observaţie: În cazul elementelor sensibile de tip inductiv sau capacitiv, schemele de măsură sunt punţi de curent alternativ în regim dezechilibrat, iar amplificatoarele de curent alternativ sunt de tip selectiv, acordate pe frecvenţa de alimentare a schemelor de măsurare (a punţilor de curent alternativ). Separarea galvanică este uşor de asigurat, utilizând transformatoare de cuplaj, dar reacţia globală (cu cât mai multe elemente în buclă) şi liniarizarea devin mai complicate.
2.3.2 Adaptoare pentru elemente sensibile de tip generator
Acestea au în principiu aceeaşi structură ca în figura anterioară, (2.1), dar lipseşte schema de măsurare (SM). Semnalul dat de elementele sensibile se aplică direct la intrarea amplificatorului. Dacă există reacţie, comparaţia se realizează într-un singur montaj diferenţial de tensiune. Întrucât lipseşte (SM) care printr-o proiectare adecvată realiza şi o adaptare de impedanţă, amplificatoarelor folosite în cadrul acestor adaptoare li se impun o serie de cerinţe care sunt strâns legate de caracteristicile semnalului generat de elementele sensibile. Cele mai frecvent întâlnite semnale generate de ES sunt :
- tensiuni continue de nivel foarte redus;
- tensiuni alternative cu frecvenţă variabilă în limite largi;
- tensiuni continue sau alternative obţinute de la surse cu impedanţă proprie foarte mare.
Măsurarea tensiunii de nivel foarte redus (mV), cum este cazul termocuplurilor, este afectată de deriva tensiunii de decalare datorită rezistenţei sursei de semnal, care este relativ mică.
Exemplu: dacă termocuplul Pt. Rh-Pt are o sensibilitate de ordinul 10mV/ºC, iar amplificatorul are o derivă de tensiune de 15mV/ºC, rezultă că la o variaţie a temperaturii de 10ºC, deriva va fi de 150 mV ceea ce corespunde unei erori de temperatură de 15ºC, evident neacceptabilă.
Pentru reducerea derivelor, deci a erorilor de măsurare se utilizează amplificatoare integrate de măsurare, cu performanţe ridicate care pot asigura derive de 0,25 mV/ºC sau 0,1 mV/ºC, la fel ca cele realizate de amplificatoarele cu modulare-demodulare, dar mult mai ieftine şi mai simple.
În cazul traductoarelor electromagnetice (tahogeneratoare, traductoare de debit cu turbină etc) care utilizează semnale alternative cu frecvenţă variabilă în limite largi se folosesc amplificatoare de bandă largă 1Hz …106 Hz, care au cuplaje RC între etaje şi au reacţie negativă, pentru a asigura liniaritatea şi amplificări constante pe întreaga bandă.
Atunci când sursa de semnal a elementelor sensibile are rezistenţă sau impedanţă internă foarte mare, de ordinul (108 W…109 Ω) este necesar ca în aceste situaţii măsurarea să se facă fără consum de putere de la sursa de semnal (traductoare de pH, traductoare de debit electromagnetice, piezoelectrice). În aceste cazuri amplificatoarele conţinute în adaptoare, numite amplificatoare electrometrice, trebuie să aibă impedanţe de intrare de ordinul (1012 …1014)Ω.
Acest lucru se poate realiza utilizând:
- amplificatoare cu modulator utilizând diode varicap;
- amplificatoare realizate cu tranzistoare de tip MOS.
Celelalte blocuri funcţionale sunt aceleaşi cu cele descrise la adaptoarele pentru ES parametrice.
2.3.2.1 Adaptoare utilizând scheme de măsurare
cu echilibrare automată
Măsurarea precisă a tensiunii sau a curenţilor de nivel scăzut (daţi de elementele sensibile generatoare) se poate face cu scheme de măsurare de tip compensator care realizează compararea tensiunii sau curentului respectiv cu mărimi similare a căror valori pot fi reglate automat şi cunoscute cu precizie.
În acest fel măsurarea se poate face fără consum de putere de la elementele sensibile, deci se elimină erorile sistematice de metodă. Întrucât mărimile furnizate de elementele sensibile sunt variabile în timp, este necesar ca operaţia de compensare cât şi echilibrarea punţilor să se facă automat. Astfel, pentru o serie de traductoare la care se cer performanţe superioare, adaptoarele se realizează sub forma unor compensatoare automate sau punţi cu echilibrare automată.
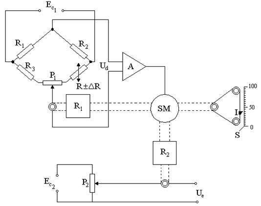
A - Compensatoare automate
Schema de principiu a unui compensator pentru măsurarea tensiunilor de nivel redus (cazul termocuplurilor) este prezentată în figura 2.2.
Fig. 2.2
Schema reprezintă un sistem automat în circuit închis (sistem de urmărire) având ca intrare tensiunea Ux (de la ES), iar ca ieşire deplasarea unghiulară a axului servomotorului (SM). Acesta acţionează asupra cursoarelor potenţiometrelor P1 şi P2 prin intermediul reductoarelor R1 şi R2 şi asupra unui dispozitiv de indicare şi înregistrare (I ) pe diagrama (S). Tensiunea Ux se compară cu tensiunea UC (de comandă), culeasă de la potenţiometrul P1 şi care variază liniar cu poziţia cursorului. Diferenţa de tensiune DU=Ux-UC este amplificată de amplificatorul A şi aplicată servomotorului SM, care se roteşte şi prin reductorul R1 deplasează cursorul potenţiometrului P1, până când (Ux=UC), deci (DU=0). Simultan servomotorul (SM) antrenează dispozitivul de indicare sau înregistrare (I), care se opreşte pe o poziţie la care se poate citi valoarea mărimii măsurate. Asemănător, prin reductorul R2 se antrenează cursorul potenţiometrului P2, obţinându-se tensiunea de ieşire Ue =K×Ux , care poate fi de natura unui semnal unificat, în domeniul [0…10] Vcc.
Observaţii:
Dacă Ue este culeasă între cursorul lui P2 şi altă poziţie (decât capetele potenţiometrului) corespunzătoare unei valori de referinţă, atunci P2 + sursa poate îndeplini funcţia de comparator pentru un SRA (sistem de reglare automată) în care se află inclus traductorul. În acest caz , Ue = K(Uref - Ux) şi reprezintă semnalul de eroare pentru SRA. Servomotorul (SM) având o caracteristică de element integrator, compensatoarele respective sunt denumite de tip integral. Caracterul integrator al servomotorului prezintă avantajul că la o variaţie treaptă a mărimii de intrare eroarea staţionară este nulă.
B - Puntea cu echilibrare automată
Structura punţilor cu echilibrare automată este asemănătoare cu cea a compensatoarelor automate, aşa cum se observă din figura 2.3.
Variaţiile DR ale elementului sensibil rezistiv conduc la dezechilibrarea punţii şi la apariţia tensiunii de dezechilibru Ud care acţionează prin amplificatorul A, asupra servomotorului SM, astfel încât puntea să se echilibreze prin deplasarea cursorului potenţiometrului P1. În regim echilibrat precizia măsurării depinde numai de precizia rezistenţelor R1, R2, R3 şi P1, eliminându-se erorile cauzate de variaţia tensiunii (care intervine numai la punţi dezechilibrate). De asemenea, se elimină şi erorile de neliniaritate, care la variaţii mari DR afectează puternic tensiunea Ud şi impun utilizarea circuitelor de liniarizare. Semnalele de ieşire, indicarea sau înregistrarea valorilor mărimii măsurate se realizează la fel ca în figura 2.2 (ca şi în cazul compensatorului).
Performanţe:
- precizia 0,25…0,5 %;
- eroarea la variaţia tensiunii de alimentare : ± 0,1% … ± 1%.
Datorită existenţei unor elemente în mişcare (role, reductor) – performanţele în regim dinamic sunt reduse şi ca urmare astfel de adaptoare sunt utilizate numai pentru procese lent variabile în timp (cu banda de frecvenţă f £ 1Hz).
Fig. 2.3.
2.4 Traductoare numerice. Adaptoare pentru traductoare
numerice
În cazul reglării sau conducerii numerice a proceselor este necesar ca traductoarele să fie prevăzute cu ieşiri numerice.
– Traductoarele numerice au semnale de ieşire compatibile TTL – care reprezintă valoarea măsurată în cod binar sau binar codificat zecimal.
– Obţinerea semnalelor numerice la ieşirea traductorului este posibilă prin utilizarea unor convertoare analog-numerice (C.A.N.) care să transforme semnalul analogic (unificat) obţinut la ieşirea unuia din adaptoarele prezentate anterior, într-un semnal numeric la ieşirea traductorului (figura 2.4).
Pentru conversia analog – numerică există convertoare realizate cu componente discrete sau cu circuite integrate. Ţinând seama de principiile funcţionale, cele mai utilizate CAN sunt:
a) C.A.N. cu reacţie:
– cu trepte egale de tensiune;
– cu aproximaţii succesive.
b) C.A.N. prin integrare.
C.A.N. sunt mult mai complexe decât adaptoarele (dar mai scumpe), deci utilizarea lor trebuie să se justifice economic.
Utilizarea C.A.N. este justificabilă dacă se folosesc circuite electronice de multiplexare a ieşirilor analogice, astfel încât un singur C.A.N. să fie folosit pentru măsurarea (conversia) mai multor semnale analogice.
Fig. 2.4 – Schema unui traductor cu semnal de ieşire numeric.
În comparaţie cu principiul de funcţionare al C.A.N. cu reacţie, unde ieşirea C.A.N. se compară cu semnalul analogic de la intrare (care este afectat de zgomot), în cazul C.A.N. prin integrare, acest dezavantaj este înlăturat.
C.A.N. prin integrare funcţionează astfel : ieşirea numerică (digitală) depinde de valoarea integrală a mărimii analogice de intrare într-un timp bine stabilit.
Cele mai utilizate C.A.N. prin integrare sunt cele cu dublă pantă, a căror schemă este prezentată în figura 2.5:
Fig. 2.5
- Conversia mărimii analogice de intrare se realizează în două secvenţe. În prima secvenţă tensiunea de intrare se aplică integratorului o perioadă de timp (T1), determinată prin blocul logic de comandă. Deci rampa obţinută are durată constantă şi pantă variabilă proporţională cu valoarea semnalului analogic de intrare (Vin), figura 2.6.
- Sensul de creştere sau descreştere al rampei depinde de polaritatea tensiunii de intrare. În a doua secvenţă i se aplică integratorului o tensiune de referinţă care are sensul opus semnalului de intrare. Se va genera o rampă de tensiune în sens opus primei rampe.
Fig. 2.6
Curentul de descărcare al condensatorului (încărcat după prima treaptă) este constant în timp, panta rampei de descărcare este constantă, deci durata de descărcare (T2) va fi variabilă, proporţională cu valoarea tensiunii la care s-a încărcat condensatorul. Comparatorul C semnalizează sfârşitul descărcării condensatorului, adică trecerea prin zero a tensiunii de la ieşirea integratorului. Tensiunea de la ieşirea integratorului la sfârşitul primei secvenţe este:
Semnalul obţinut prin integrarea tensiunii de referinţă pe durata de descărcare T2 este:
Din egalitatea tensiunilor, exprimate prin relaţiile (2.4) şi (2.5), valabilă în momentul t’ rezultă:
Considerând referinţa constantă (Vref = ct.) se observă că durata de descărcare (T2) variază liniar cu tensiunea de intrare. Deoarece T1 este măsurat cu un semnal de tact de frecvenţă f0 , iar mărimea sa este: T1= N/f0 ; unde N este valoarea prefixată (arbitrar), iar T2 este măsurat cu aceeaşi frecvenţă având valoarea: T2 = Nx/f0 , din egalitatea anterioară (2.6) rezultă:
Deci, numărul de impulsuri (Nx) înregistrat în numărător este direct proporţional cu tensiunea de intrare (VIN) dacă Vref şi valoarea lui N sunt constante (prescrise).
În construcţia traductoarelor numerice prezintă interes deosebit elementele sensibile care pot furniza la ieşire semnale periodice sinusoidale sau impulsuri, a căror frecvenţă este dependentă liniar de mărimea de măsurat.
Conversia frecvenţei sau duratei în cod (numeric) poate fi realizată cu ajutorul unor scheme de complexitate mai mică ca în figura 2.7.
Fig.2.7
Mărimea de ieşire din E.S. este convertită în frecvenţă sau durată de impulsuri prin blocul CF (convertorul în frecvenţă). Semnalele obţinute sunt aplicate circuitului de poartă CP care realizează funcţia “SI”. CP primeşte un semnal de referinţă de la GT (generator de tact ) care, în cazul conversiei în frecvenţă, reprezintă un interval de timp calibrat, iar la conversia în durată - o frecvenţă calibrată. În acest mod, la ieşirea blocului CP rezultă un număr de impulsuri, proporţional cu x, care este acumulat de numărătorul N, eventual reţinut într-o memorie tampon (MT) şi transferat la ieşire sub formă numerică yN - în codul necesar (de regulă binar sau binar codificat zecimal) de către un decodificator adecvat (D). Blocul de control (BC) comandă funcţionarea, într-o anumită succesiune logică, acelor trei blocuri din figură şi asigură modurile de operare ale acestora.
2.5 Traductoare pneumatice
Aceste traductoare efectuează conversia mărimii de măsurat într-un semnal calibrat de natură pneumatică (aer instrumental sub presiune). Traductoarele pneumatice sunt destinate aplicaţiilor în care mediile de lucru prezintă pericol de incendiu sau explozie şi nu permit utilizarea traductoarelor electrice. Dificultăţile de transmitere a semnalelor pneumatice la distanţă determină utilizarea traductoarelor pneumatice în instalaţii de automatizare sau agregate distribuite pe o suprafaţă redusă. Adaptoarele acestor traductoare realizează conversia mărimii furnizate de elementul sensibil în semnal pneumatic unificat (0.2…1) bar, adică (20…100) kPa - cu o putere suficientă pentru transmitere la distanţă şi prelucrare de către echipamentele pneumatice de automatizare.
2.5.1 Adaptoare pentru traductoare pneumatice
În funcţie de natura fizică a semnalului furnizat la ieşirea elementelor sensibile adaptoarele pentru traductoare pneumatice - se realizează în două moduri:
a) Sub forma unui amplificator de putere (presiune şi debit) alimentat, de la o sursă de aer instrumental cu presiune de 1.4 bari, dacă E.S. generează la ieşire semnal pneumatic.
b) Adaptoare care funcţionează pe principiul compensării forţelor sau deplasărilor, dacă ES furnizează la ieşire deplasări sau forţe.
În figura 2.8 este prezentat adaptorul pneumatic, funcţionând prin compensarea forţelor:
Fig.2.8
Semnificaţiile notaţiilor din figură sunt:
Fi – forţă de intrare generată de E.S.; V – ventil (robinet) ;
PA – punct de articulaţie; AP – amplificator de putere;
PC – pârghie de comparaţie; P – paletă (obturator);
BR – burduf de reacţie; D – duză (ajutaj);
Fi – forţă de intrare (în adaptor) SR – şurub pentru reglarea
de la E.S.; punctului (poziţiei) zero;
Fr – forţă de reacţie dată de BR.
Comparaţia forţelor Fi şi Fr se efectuează prin momentele pe care acestea le exercită asupra pârghiei PC. Acţiunea forţei Fi are ca efect apropierea paletei de ajutaj şi ca urmare se obţine o creştere a presiunii de ieşire (Pe) şi implicit o creştere a forţei de reacţie (Fr). La echilibru între Fi şi Fr rezultă că presiunea de ieşire reprezintă valoarea forţei Fi.
Observaţie:
Deplasările punctelor de aplicaţie ale forţelor sunt foarte reduse (de ordinul micronilor sau zecilor de microni). În figura 2.9 este prezentată schema adaptorului pneumatic bazat pe compensarea deplasărilor. Forţele Fi şi Fr acţionează liber asupra pârghiei de comandă (PC) care nu are punctul de reazem.
Fig. 2.9
Notaţiile au aceeaşi semnificaţie ca la figura anterioară (adaptor prin compensarea forţelor). În acest caz, deplasarea xi produsă de Fi este echilibrată de deplasarea xr dată de forţa (Fr) a burdufului de reacţie (BR). Sistemul de pârghii este astfel construit încât permite deplasări mai mari (ca în cazul anterior) ale punctelor de aplicare a forţelor Fi şi Fr , dar deplasarea diferenţială a paletei (P) rămâne în domeniul redus (microni sau zeci de microni).
Ca urmare, adaptorul din figura 2.9 va avea o caracteristică mai liniară decât cel prezentat în figura 2.8. Dintre cele două tipuri de adaptoare, în realizarea traductoarelor este preferat adaptorul bazat pe compensarea forţelor, întrucât prezintă următoarele avantaje:
· erori de neliniaritate şi histerezis reduse datorită deplasărilor foarte mici;
· rezistenţă ridicată la uzură, şocuri şi vibraţii.
Observaţie:
În ambele variante constructive se observă prezenţa dispozitivului duză – paletă, care are funcţia de convertor deplasare – presiune şi se mai numeşte preamplificator pneumatic.
Amplificatoarele pneumatice de putere (AP)pot fi de tipul:
- AP având consum continuu, care asigură o amplificare de presiune A=(10¼15) pentru un debit de ieşire variabil între 1200…1600 Nl/h (normal - litri pe oră);
- AP având consum intermitent, cu amplificarea: A=(1…5) la un debit de ieşire variabil în domeniul: 1500…2500 Nl/h.
Consumul de aer instrumental este variabil în domeniul: 600…1000 Nl/h – pentru AP ce funcţinează în regim continuu şi în domeniul: 150…400 Nl/h la AP care funcţionează în regim intermitent.
2.6 Principii generale de alegere a traductoarelor
Alegerea traductorului, dintr-o gamă relativ extinsă oferită de firmele constructoare, pentru o anumită aplicaţie necesară utilizatorului, reprezintă o problemă tehnico – economică. Soluţia corectă ţine seama de particularităţile funcţional – constructive ale traductoarelor, determinate de locul, rolul şi durata de utilizare a acestora în automatizarea proceselor industriale.
Utilizând terminologia aplicată, în mod curent, în proiectarea şi construcţia echipamentelor de automatizare, principalii factori care definesc eficienţa economică a unui traductor sunt:
a) eficacitatea operaţională (E.O.);
b) costurile totale de utilizare(C.T.U.).
Variaţiile celor doi factori ce definesc eficienţa economică prin utilizarea unui traductor sunt prezentate în figura 2.10:
Fig. 2.10
Eficacitatea operaţională a unui traductor exprimă modul în care acesta satisface cerinţele impuse de aplicaţia căruia îi este destinat pe o perioadă de utilizare fixată. În esenţă, acest factor exprimă capabilitatea traductorului (proprietatea acestuia de a-şi menţine performanţele nominale, pe durata prestabilită de utilizare în cadrul echipamentului de automatizare).
Costurile totale de utilizare reprezintă suma cheltuielilor de achiziţie, verificare şi instalare, cât şi cheltuieli de întreţinere în scopul menţinerii eficacităţii operaţionale pentru durata de utilizare stabilită. Variaţia costurilor în raport cu fiabilitatea traductorului este dată în figura 2.10.
Eficacitatea economică în alegerea unui traductor se poate exprima simplu prin raportul Kef dintre eficacitatea operaţională (E.O.) şi costurile totale de utilizare (C.T.U.)
Alegerea traductoarelor prin prisma consecinţelor economice determinate preponderent de anumite performanţe tehnice, necesită întocmirea unui bilanţ tehnico-economic al măsurării. Precizia de măsurare influenţează costurile traductoarelor, conform diagramelor din figura 2.11, care au următoarele semnificaţii:
– curba a exprimă dependenţa costurilor în funcţie de eroarea care afectează măsurarea;
– curba b ilustrează costurile provocate de lipsa de precizie;
– curba c exprimă suma valorilor momentane din a şi b.
Curba a se exprimă printr-o relaţie de forma:
unde: C = costul total al măsurării;
A şi k = constante specifice domeniului de măsurare şi categoriei de aparate (traductoare) utilizate;
E = eroarea de măsurare.
Observaţie:
Elaborarea unei metodologii unitare de alegere a traductoarelor bazate pe optimizarea unor criterii tehnico-economice şi corect formulate rămâne o problemă deschisă pentru ingineria economică!…
Trimiteți un comentariu